0

หน้าจอ AEM CD-7 Carbon Digital Dash ขนาด7"

หน้าจอ AEM CD-7 Carbon Digital Dash ขนาด7"  อ่านค่ามากกว่า 250 รายการจาก CAN Bus และพ่วงกับกล่อง ECU แต่งรุ่นอื่นๆได้ หรือ OBDII รถเดิมได้

SKU
aem30-5700
Price
67,000.00 ฿
Ask for more information

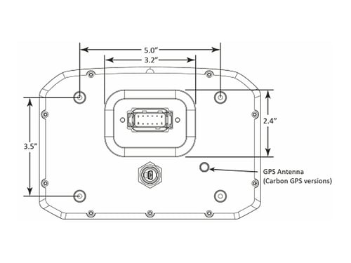
ขนาด Dimension


สินในค้าเซต

-หน้าจอ CD-5

-สาย Input/Output

-สาย USB to PC

-สาย Power





FEATURES หลัก


  • หน้าจอสีขนาด 5 นิ้ว ความละเอียด 800x480 resolution
  • ออกแบบมาสำหรับอ่านค่ากลางแดดได้ (ความสว่าง 1000cd/m2)
  • เลย์เอ้าท์การจัดหน้าข้อมูลปรับเปลี่ยนได้ 6 หน้า
  • ใช้วัสดุ Carbon fiber composite ออกแบบมาสำหรับใช้งานทุกสภาพ
  • น้ำหนักรวม 331 กรัม
  • มาตรฐูานกันน้ำ IP66 สามารถติดตั้งใช้บนเรือและมอเตอร์ไซค์ได้
  • รับสัญญาณผ่าน CAN (ผู้ใช้สามารถตั้งค่าได้ 2ชุด) – ทำงานร่วมกับอุปกรณ์ของ AEM และอุปกรณ์ยี่ห้ออื่นๆ 
  • สาย Plug&Play CAN สำหรับ กล่อง Link, MoTec, Holley, MSD Atomic and Vi-Pec ECUs
  • รับสัญญาณจาก ECU รถเดิมตั้งแต่ปี 2008 ขั้นไป ผ่านสาย Plug & Play OBDII CAN (รหัสสินค้า 30-2217, ขายแยก)
  • สามารถใช้กับรถเดิมที่ไม่มี OBDII ได้โดยผ่าน กล่องแปลง AEM 22 Channel CAN Sensor Module (รหัส 30-2212, ขายแยก) และ  AEM 6 Channel CAN Sensor Module (รหัส 30-2226, ขายแยก)
  • มีให้เลือกทั้งรุ่น Logging (ความจุ 200Mb internal logging สูงสุด 1,000Hz/เชลแนล) และรุ่น Non-Logging 
  • มีให้เลือก GPS และรุ่น ไม่มี GPS
  • Add Vehicle Dynamics Module for GPS, 3-axis gyroscope and 3 axis accelerometer for G-loads, roll, pitch, yaw, track mapping and lap timing (PN 30-2206, sold separately)
  • Seven programmable pages including four Main pages, Alarm, On-Change and Start-up pages
  • Dedicated Alarm page quickly identifies problems, programmable in almost any language! (user defined)
  • Unique On-Change page can be used to identify map switching for boost, traction, lap times, etc.
  • Use included page layouts and input your channels and text, or create your own from scratch
  • Free DashDesign Graphics Editor software
  • Seven LED RPM/shift light indicators on top of the housing (programmable and dimmable)
  • Two programmable LEDs
  • Odometer function
  • Over 200 supplied fully programmable SAE and custom warning icons, and you can add your own
  • ‘Headlight-in’ connection dims the dash and LEDs during night operation
  • Two extra switch inputs included for displaying user-triggered events (blinkers, high beams etc.)
  • User supplied graphics can be changed based on channel values (up to the full screen size)
  • Convert CAN bus channel values to user-defined text in multiple languages


สามารถทำงานร่วมกับกล่องอื่น ผ่านสัญญาณ CAN ตามรายการด้านล่าง 


  • Autosport Labs, AnalogX 4 Channel Analog to CAN Module
  • BigStuff GEN4 Pro Xtreme ECUs
  • Bosch IMU 2-Axis Accel & Yaw Sensor
  • Edelbrock Pro-Flo 4 Electronic Fuel Injection
  • EFI Technology S.r.l. Euro-4 ECU
  • EMS EM-Tech EM70, EM80, EM140, EM160 & EM180 ECUs
  • FAST XFI 2.0 ECU
  • gaugeART 31-001, 8 Ch Analog Expansion Module
  • GM/Delphi MEFI-4b ECUs
  • Haltech Elite 550, 750, 950, 1000, 1500, 2000, 2500, 2500T ECUs
  • Haltech Elite VMS, VMS-T
  • Haltech Platinum Pro, Platinum Sport and Platinum Sprint ECUs
  • Haltech WBC1 & WBC2, 1 & 2 Ch CAN widebands
  • Holley HP EFI, Dominator EFI ECUs CD-7 to LinkG4+ ECUs Plug & Play Adapter Cable Available      Watch the install video!
  • Holley Sniper & Super Sniper EFI Kits
  • Hondata KPro4 and S300 V3 ECUs Watch the install video!
  • KMS MD35 ECU
  • KMS Single Ch CAN wideband
  • KMS 4 Ch EGT Module
  • KMS 4 Ch Wheelspeed Module
  • KMS 2 Ch DBW Module
  • KMS Flex Fuel CAN Module
  • Life Racing F42, F88, F90 & GDI Series ECUs
  • Link G4+ based ECUs CD-7 to LinkG4+ ECUs Plug & Play Adapter Cable Available
  • Link CAN-Lambda Module
  • Megasquirt, MS3, MS2, Microsquirt, DIYPNP & MSPNP Gen2 ECUs
  • MicroTech LT-9C, LT-10C, LT-15C & LT-16C ECUs
  • Motec M1, M84, M400, M600, M800, & M880 ECUs
  • Motec PDM15, PDM16, PDM30 & PDM32 Power Distribution Modules
  • Motec PLM Lambda Module
  • Motec LTC, LTCD Lambda to CAN Modules
  • Motec E888, E816, CAN Expansion Modules
  • MSD AtomicEFI Throttle Body ECUs CD-7 to MSD Atomic TBI Plug & Play Adapter Cable Available
  • MSD GRID Programmable Ignition
  • PCS EGT-2000, 8 Ch EGT Module
  • Performance Electronics PE3 Series ECUs
  • Polaris RZR XP-900, RZR XP-1000, & RZR XP-Turbo ECUs
  • ProEFI Pro128, Pro112, and Pro48 ECUs
  • RaceGrade TC8, 8 Ch EGT Module
  • RaceGrade 8 Ch and 15 Ch Keypads
  • Racepak V300SD, V500SD, Sportsman, G2X, & G2XPro Loggers
  • Racepak 220-VM-USM, Universal 4 Sensor Analog Modules
  • Racepak 220-VP-IRXXXX, IR Tire & Brake Temp Modules
  • Racepak 220-VP-JBXXXX, Exhaust Temp Modules
  • Racepak 220-VP-PTXXXX, Pressure Sensor Modules
  • Racepak 220-VP-PTXXXX, Wheelie Bar Force Modules
  • Racepak 220-VP-RIDEHTXX, Laser Ride Height Modules
  • Racepak 220-VP-TCXXXX, Thermocouple Modules
  • Racepak 220-VP-TRXXXX, Coolant/Air/Oil/Trans/Diff Temp Modules
  • Syvecs S6, S6+, S6I, S8, SDI & S12 ECU’s
  • Techmor AC-1-4, 4 Ch Analog Expansion Module
  • Techmor IR-1 Non-Contact IR Tire Temperature Module
  • Techmor AP-1, 16 Ch Aero Pressure Sensor Module
  • Techmor SG-1-C, Strain Gauge Amplifier Module
  • Vi-PEC i44-i88 ECUs CD-7 to Vi-Pec i44/i88 ECUs Plug & Play Adapter Cable Available
  • Zeitronics Zt-3 CAN AFR Meter and Datalogging System
  • Zeitronics ECA CAN Ethanol Content Meter














กล่องแปลงสัญญาณ AEM 6 Channel CAN Sensor Module (รหัส 30-2226, ขายแยก)

AEM 6 Channel CAN Sensor Module ออกแบบมาสำหรับแปลงสัญญาณ อุณหภูมิ, แรงดัน, ระดับน้ำมันเชื้อเพลิง, และ รอบเครื่อง ให้ช่วยร่วมกับหน้าจอ CD-5/ CD-7 ได้ เหมาะสำหรับผู้ที่ต้องการวัดค่าต่างๆจากกล่อง ECU รถเดิมหรือกล่อง Standalone สัญญาณ CAN


AEM 6 Channel CAN Sensor Module รองรับสัญญาณ Bosch CAN2.0b standard เหมาะสมกับการใช้ร่วมกับอุปกรณ์ตัวอื่นจากค่ายอื่นๆที่รองรับสัญญาณ CAN

อุปกรณ์ในเซต AEM 6 Channel CAN Sensor Module 30-2226

กล่องแปลงสัญญาณ AEM 22 Channel CAN Sensor Module (รหัส 30-2212, ขายแยก)

AEM 22 Channel CAN Sensor Module ออกแบบมาสำหรับแปลงสัญญาณ อุณหภูมิ, แรงดัน, ระดับน้ำมันเชื้อเพลิง, และ รอบเครื่อง ให้ช่วยร่วมกับหน้าจอ CD-5/ CD-7 ได้ เหมาะสำหรับผู้ที่ต้องการวัดค่าต่างๆจากกล่อง ECU รถเดิมหรือกล่อง Standalone สัญญาณ CAN


AEM 22 Channel CAN Sensor Module รองรับสัญญาณ Bosch CAN2.0b standard เหมาะสมกับการใช้ร่วมกับอุปกรณ์ตัวอื่นจากค่ายอื่นๆที่รองรับสัญญาณ CAN


ประกอบไปด้วย Input 0-5V จำนวน 8 input, Input แชลแนลTemp อุณหภูมิ จำนวน 4 input  , Input แชลแนลสัญญาณดิจิตอล จำนวน 6 input, Input ระดับน้ำมัน , Input ไฟแบตเตอรี่ , Input รอบ RPM ,และ Input วัดความเร็ว



อุปกรณ์ในเซต AEM 22 Channel 30-2212






สาย Plug & Play OBDII CAN (รหัสสินค้า 30-2217, ขายแยก)

สาย Plug&Play สำหรับใช้กับ OBDII รถปี 2008 ขึ้นไป เพื่อดึงสัญญาณ CAN ข้อมูลจากกล่อง ECU รถเดิมมายังหน้าจอ



สาย Plug & Play Link G4+ / Vi-Pec (รหัสสินค้า 30-2215, ขายแยก)




สาย Serial-to-CAN  

สายสำหรับ Hondata KPro, KPro2 and KPro3 รองรับค่าสัญญาณ 30 แชแนลส่งไปยังหน้าจอ CD-5/7


สายสำหรับกล่อง MoTeC M4s (M4 serial number 0-2999, all M48s and all M8s ECUs )


สายสำหรับกล่อง MoTeC M4s (M4 with serial numbers 3000-up, all MLS and all M2R ECUs)

Reviews

0/ 0 Review
This product has no ratings or reviews yet.



       



Contact Us


Siam Ultimate Energy Co., Ltd

7 Chokchai 4 , Soi 77, Ladprao Road, 

Ladprao District , Bangkok ,

10230, Thailand


LINE : @siamultimateracing
Email : siamultimateracing@gmail.com


Call : 02-578-1506

Hotline : 061-621-9254


Working days

Mon.-Sat.: 9:00 AM – 5:00 PM

Copyright ® 2022 SiamUltimateEnergy  Co., Ltd